Principio de funcionamiento: Cuando la corriente pasa a través del transformador electromagnético, el transformador de corriente transmite la señal de corriente a la placa de circuito, que juzga si se trata de una corriente de falla. Si es así, el mecanismo se activa directamente.


-
Prueba instantánea MCCB
-
Banco de pruebas de aumento de temperatura MCCB
-
Banco de pruebas de aumento de temperatura MCCB
-
Banco de pruebas de aumento de temperatura MCCB
-
Banco de pruebas de aumento de temperatura MCCB
-
Ensamblaje de MCCB
-
Ensamblaje de MCCB
-
Banco de pruebas de aumento de temperatura MCCB
Para garantizar la seguridad del transporte, nuestros productos eléctricos se exportan en cajas de madera reforzada. Las cajas se someten a un tratamiento térmico y llevan la marca ISPM-15, lo que permite un rápido despacho de aduanas. El diseño de base elevada facilita el funcionamiento de la carretilla elevadora, mientras que la fijación interna que absorbe los impactos garantiza que los productos lleguen intactos. Todas las cajas exteriores están claramente etiquetadas y cumplen con los estándares logísticos internacionales.
-
Subestación tipo caja ACB VCB MCCB
-
Transmisión de potencia exitosa
-
Armario fotovoltaico conectado a la red que utiliza ACB y MCCB
-
Subestación tipo caja ACB VCB MCCB
-
Subestación tipo caja ACB VCB MCCB
-
Aparatos de conmutación de alta y baja tensión ACB MCCB VCB
-
Subestación de tipo caja que utiliza nuestro VCB



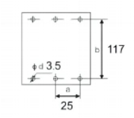
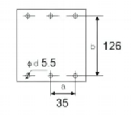
| Tipo | polo | Dimensiones externas | Dimensiones de instalación (mm) | Dimensiones de conexión del panel trasero (mm) | |||||||||||
| L | L1 | W | H | H1 | H2 | a | b | ∅d | a1 | b1 | d1 | H3 | H4 | ||
| MTM1-63L | 3 | 135 | 21 | 76 | 89.5 | 72 | 18 | 25 | 117 | 3.5 | 25 | 117 | 18 | 52 | 75 |
| 4 | 103 | ||||||||||||||
| MTM1-63M | 3 | 76 | 99 | 81 | 28 | ||||||||||
| 4 | 103 | ||||||||||||||
| MTM1-125L | 2 | 150 | 51 | 65 | 87 | 68 | 24 | … | 129 | 4.5 | 30 | 132 | 22 | 65 | 100 |
| 3 | 92 | 30 | |||||||||||||
| 4 | 121 | … | |||||||||||||
| MTM1-125M,H | 2 | 65 | 103.5 | 85 | 23 | … | |||||||||
| 3 | 92 | 30 | |||||||||||||
| 4 | 121 | … | |||||||||||||
| MTM1-250L | 2 | 164 | 64 | 75 | 108 | 87 | 24 | … | 126 | 5.5 | 35 | 144 | 24 | 70 | 110 |
| 3 | 107 | 35 | |||||||||||||
| 4 | 142 | … | |||||||||||||
| MTM1-250M,H | 2 | 75 | 124.5 | 104 | 24 | … | |||||||||
| 3 | 107 | 35 | |||||||||||||
| 4 | 142 | … | |||||||||||||
| MTM1-400M,H | 3 | 257 | 105 | 150 | 153 | 106 | 38 | 44 | 194 | 7 | 48 | 224 | 32 | 48.5 | 108.5 |
| 4 | 197 | Izquierda 44 Derecha 50 | |||||||||||||
| MTM1-630M,H | 3 | 270 | 105 | 182 | 157 | 111 | 43 | 58 | 200 | 7 | 58 | 234 | 40 | 70 | 120 |
| 4 | 240 | ||||||||||||||
| MTM1-800M,H | 3 | 280 | 105 | 210 | 158 | 116 | 42 | 70 | 243 | 7 | 70 | 243 | 48 | 75 | 125 |
| 4 | 280 | ||||||||||||||
| Tipo | MTM1-63 | MTM1-125 | MTM1-250 | |||||
| lnmFrameInm(A) | 63 | 125 | 250 | |||||
| Corriente nominal (A) | 10、16、20、25、32、40、50、63 | 16、20、25、32、40、50、63、80、100、125 | 100、125、140、160、180、200、225、250 | |||||
| Tensión nominal Ue(V) | AC400 | AC400 | AC400 / AC690 | AC400 | AC400 | AC400 / AC690 | AC400 | |
| Tensión nominal de aislamientoUi(V) | AC800 | AC800 | AC800 | |||||
| Número de polos | 3、4 | 3、4 | 2、3、4 | 2、3、4 | 2、3、4 | 2、3、4 | 2、3、4 | 2、3、4 |
| IcukA) Cortocircuito límite nominal rompiendo el nivel de capacidad |
L | M | S | L | M | S | L | M |
| IcukA) Cortocircuito límite nominal capacidad de ruptura |
12 | 35 | 12 | 35 | 50 | 12 | 35 | 50 |
| Ics(kA) Capacidad nominal de rotura por cortocircuito |
6 | 22 | 6 | 22 | 35 | 6 | 22 | 35 |
| Circuito corto Ratedlimit capacidad de ruptura |
4500 | 3000 | 2500 | |||||
| Vida útil de la operación (ciclo) | 8500 | 7000 | 6500 | |||||
| Distancia de arco (mm) | 0、< 50 | 0、< 50 | < 50 | |||||
| Dimensiones | ![]() |
![]() |
![]() |
|||||
|
Tamaño de instalación |
![]() |
![]() |
![]() |
|||||

English
Français
Español
عربى

































