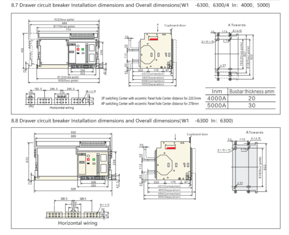
- Instalación y prueba de ACB
- Instalación de ACB
- ACB
- Armario de distribución con disyuntor doble
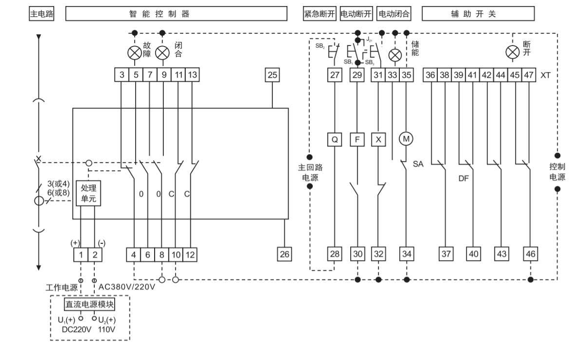
- Principio de funcionamiento
- Contacto estático y en movimiento
- Mecanismo ACB
Cuando el producto está en estado cerrado y encendido, si hay sobrecarga o cortocircuito, subtensión o pérdida de fase en el circuito, el transformador de corriente en el ACB detectará la señal de corriente, que se transmitirá al controlador. Luego, el controlador enviará un comando al mecanismo para disparar, provocando que los contactos dinámicos y estáticos se separen y desconecten, y el producto se abrirá, logrando la función de proteger la carga del backend.
La fuente de alimentación dual realiza el enclavamiento mecánico y eléctrico, conmutando entre dos líneas de alimentación. Cuando la red eléctrica está disponible, el disyuntor de la red eléctrica está cerrado, pero no se puede cerrar la generación de energía. Cuando se corta la red eléctrica, el generador genera energía y el disyuntor de la línea de generación de energía se cierra, pero no se puede cerrar la red eléctrica. Sólo se puede cerrar una de las dos fuentes de energía.
![]() |
![]() |





-
Cierre/Apertura de ACB - Almacenamiento de energía - Sobrecarga - Cortocircuito - Prueba de subtensión
-
Cierre/Apertura de ACB - Almacenamiento de energía - Sobrecarga - Cortocircuito - Prueba de subtensión
-
Cierre/Apertura de ACB - Almacenamiento de energía - Sobrecarga - Cortocircuito - Prueba de subtensión
-
Cierre/Apertura de ACB - Almacenamiento de energía - Sobrecarga - Cortocircuito - Prueba de subtensión
-
Cierre/Apertura de ACB - Almacenamiento de energía - Sobrecarga - Cortocircuito - Prueba de subtensión
Para garantizar la seguridad del transporte, nuestros productos eléctricos se exportan en cajas de madera reforzada. Las cajas se someten a un tratamiento térmico y llevan la marca ISPM-15, lo que permite un rápido despacho de aduanas. El diseño de base elevada facilita el funcionamiento de la carretilla elevadora, mientras que la fijación interna que absorbe los impactos garantiza que los productos lleguen intactos. Todas las cajas exteriores están claramente etiquetadas y cumplen con los estándares logísticos internacionales.
-
Armario fotovoltaico conectado a la red que utiliza ACB y MCCB
-
Transmisión de potencia exitosa
-
Subestación tipo caja ACB VCB MCCB
-
Subestación tipo caja ACB VCB MCCB
-
Subestación tipo caja ACB VCB MCCB
-
Metraje del escenario de aplicación
-
Transmisión de potencia exitosa
-
Transmisión de potencia exitosa
-
Armario fotovoltaico conectado a la red que utiliza ACB y MCCB
-
Armario fotovoltaico conectado a la red que utiliza ACB y MCCB
-
Subestación tipo caja ACB VCB MCCB



| Modelo | MTW1-2000 | MTW1-3200 | MTW1-4000 | MTW1-6300 | MTW1-7500 | ||
| Corriente de carcasa | Inm(A) | 2000 | 3200 | 4000 | 6300 | 7500 | |
| Número de polos | - | 3P / 4P | 3P / 4P | 3P / 4P | 3P / 4P | 3P / 4P | |
| Tensión nominal de trabajo | Ue(v) | AC400/690 | AC400/690 | AC400/690 | AC400/690 | AC400/690 | |
| Corriente nominal | En (A) | 4.00601E 24 | 2.00025E 15 | 3.20036E 11 | 4.0005E 11 | 7500 | |
| Tensión nominal de aislamiento | Ui(v) | 800 | 1000 | 1000 | 1000 | 1000 | |
| Voltaje de resistencia al impulso nominal | Uimp(kv) | 8 | 12 | 12 | 12 | 12 | |
| Modelo controlador | - | L, M, H | L, M, H | L, M, H | L, M, H | L, M, H | |
| Frecuencia de operación | (Hz) | 50 | 50 | 50 | 50 | 50 | |
| Capacidad límite nominal de rotura por cortocircuito | Icu kA (o-co) | 400V | 65 | 100 | 100 | 120 | 120 |
| 690V | 50 | 65 | 75 | 85 | 85 | ||
| Capacidad nominal de rotura por cortocircuito | Ics kA (o-co-co) | 400V | 40 | 65 | 80 | 100 | 100 |
| 690V | 40 | 50 | 65 | 75 | 75 | ||
| Corto tiempo nominal para soportar la corriente | IcwkA(1s) Retardo de tiempo 0,4s o-co |
50 | 65 | 65 | 85 | 85 | |
| Pérdida de potencia | (En) W | Fijo | 40,60,90,140,170 | 170.260.320.420 | 430.440.450 | 1.22513E 11 | 1.22513E 11 |
| Cajón | 80.130.205.310 | 400.510.650.760 | 780.790.800 | ||||
| Estándar | - | GB-TGB14048.2/IEC60947-2 | GB-TGB14048.2/IEC60947-2 | GB-TGB14048.2/IEC60947-2 | GB-TGB14048.2/IEC60947-2 | GB-TGB14048.2/IEC60947-2 | |
| Método de instalación | - | Fijo Type (3/4) | Fijo Type (3/4) | Fijo Type (3/4) | Fijo Type (3/4) | Fijo Type (3/4) | |
| Cajón Type (3/4) | Cajón Type (3/4) | Cajón Type (3/4) | Cajón Type (3/4) | Cajón Type (3/4) |

English
Français
Español
عربى



































