- Disyuntor de vacío de alto voltaje
- Disyuntor de vacío interior de media tensión VS1
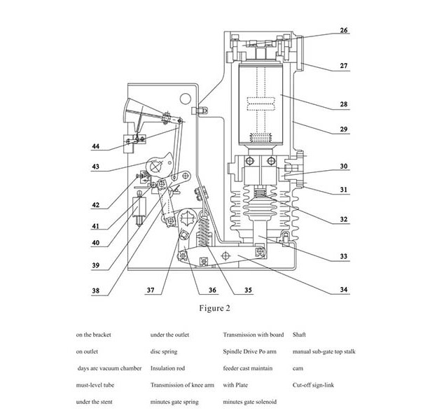
- Composición de VCB
En condiciones normales, los contactos principales permanecen cerrados para permitir un flujo de corriente continuo. Al detectar una sobrecorriente o un cortocircuito, el mecanismo de resorte separa rápidamente los contactos, produciendo un arco contenido dentro del interruptor de vacío. El arco se enfría y se extingue, aislando de forma segura el circuito defectuoso y evitando daños a los equipos posteriores. Esto garantiza una alta confiabilidad operativa y necesidades mínimas de mantenimiento.
| |
- Prueba de tensión soportada
- Depuración de productos
- Prueba de tensión soportada
- Prueba de tensión soportada
- Prueba de tensión soportada
- Prueba de tensión soportada
- Prueba de tensión soportada
- Depuración de productos
- Pruebe la velocidad de apertura y cierre, el tiempo y la sincronización.
- Disyuntor de vacío de alto voltaje
- Disyuntor de vacío interior de media tensión VS1
Para garantizar la seguridad del transporte, nuestros productos eléctricos se exportan en cajas de madera reforzada. Las cajas se someten a un tratamiento térmico y llevan la marca ISPM-15, lo que permite un rápido despacho de aduanas. El diseño de base elevada facilita el funcionamiento de la carretilla elevadora, mientras que la fijación interna que absorbe los impactos garantiza que los productos lleguen intactos. Todas las cajas exteriores están claramente etiquetadas y cumplen con los estándares logísticos internacionales.
-
Subestación tipo caja ACB VCB MCCB
-
Subestación tipo caja ACB VCB MCCB
-
Subestación tipo caja ACB VCB MCCB
-
Transmisión de potencia exitosa
-
Armario fotovoltaico conectado a la red que utiliza ACB y MCCB
-
Transmisión de potencia exitosa
-
Subestación tipo caja ACB VCB MCCB
-
Transmisión de potencia exitosa
-
Armario fotovoltaico conectado a la red que utiliza ACB y MCCB
-
Armario fotovoltaico conectado a la red que utiliza ACB y MCCB
| No | Artículo | Unidades | Contar valor |
| 1 | La tensión nominal | - | 12 24 35 |
| 2 | La tensión nominal (short-term frequency tolerance 1min) | kV | 42 |
| 3 | La tensión nominal tolerance lightning shocks peak | - | 75 |
| 4 | Frecuencia nominal | Hz | 50 |
| 5 | Corriente nominal | A | 630、1250 |
| 630、1250、1600、2000、2500、3150 | |||
| 1250、1600、2000、2500、3150、4000 | |||
| 6 | Corriente nominal de circuito abierto corto | kA | 20/25、31.5、40 |
| 7 | La tensión nominal short tolerance | kA | 20/25、31.5、40 |
| 8 | Duración corta calificada | s | 4 |
| 9 | Corriente nominal peak tolerance | kA | 50/63、80、100 |
| 10 | Cierre nominal de corriente de cortocircuito | kA | 50/63、80、100 |
| 11 | Tolerancia de voltaje de frecuencia del circuito secundario 1min) | V | 2000 |
| 12 | Condensador singleback nominal configurado con corriente de circuito abierto | A | 630/400 (40 kA 800/400) |
| 13 | El condensador nominal establece corrientes cercanas | kA | 12,5 (frecuencia no superior a 1000Hz) |
| 14 | Tiempo de frenado (voltaje nominal) | ms | ≤50 |
| 15 | Tiempo de alimentación (voltaje nominal) | ms | ≤100 |
| 16 | Vida mecánica | - | 20000 |
| 17 | Corriente nominal open circuit times (life) | Conmutación | 20000 |
| 18 | Circuito abierto de corriente de cortocircuito nominal | - | 50(40kA≤30) |
| 19 | El contacto dinámico y estático permite el espesor del desgaste | mm | 3 |
| 20 | El alimentador de tensión de funcionamiento nominal | - | - |
| 21 | La tensión nominal break-brake operations | V | AC110/220 DC110/220 |
| 22 | Tensión nominal del motor de almacenamiento | - | - |
| 23 | Potencia nominal del motor de almacenamiento | W | 70 |
| 24 | Tiempo de almacenamiento | s | ≤10 |
| 25 | Distancia de apertura del contacto | mm | 11±1 |
| 26 | Súper viaje | - | 3,5 ± 0,5 |
| 27 | Tiempo de rebote del contacto de cierre | ms | ≤240(A≤3) |
| 28 | Puntos trifásicos, que se cierran en diferentes etapas sexuales | - | ≤2 |
| 29 | Velocidad media de la compuerta (separación de contactos: 6 mm) | m/s | 0,9–1,2 |
| 30 | Velocidad media de cierre (cierre por contacto de 6 mm) | m/s | 0,5–0,8 |
| 31 | Resistencia líder en circuitos eléctricos | μΩ | ≤50(630a)、≤45(1250A) ≤35(1600–2000A)、≤250(2400) |
| 32 | Presión de contacto del alimentador del contactor | N | 2000±200(2000A)、2400±200(25kA) 3100±200(31,5 kA)、4250±250(40 kA) |
| 33 | La secuencia operativa nominal | - | Puntos - 0,3s - y puntos Años 180 - y - |

English
Français
Español
عربى




































