- Disyuntor de vacío de alto voltaje
- Disyuntor de vacío interior de media tensión VS1
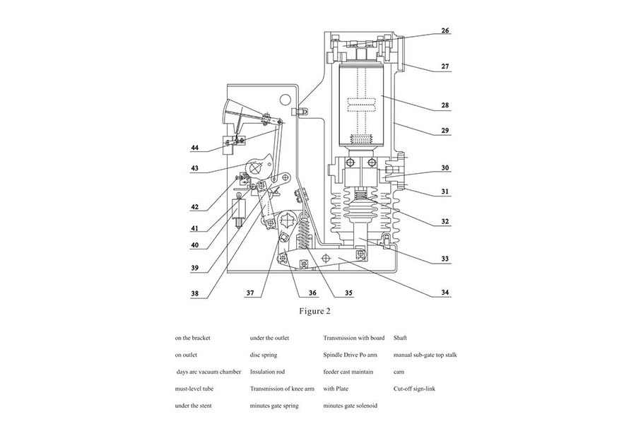
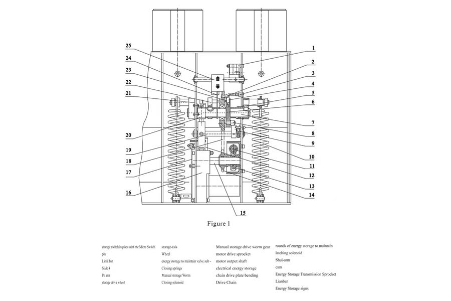
- Composición de VCB
Durante el funcionamiento normal, los contactos principales del disyuntor permanecen cerrados, lo que permite un flujo de corriente ininterrumpido. Durante eventos de sobrecarga o cortocircuito, se activa el mecanismo de disparo térmico o magnético. El mecanismo de resorte garantiza una rápida separación de contactos, generando un arco eléctrico controlado. Este arco se dirige inmediatamente al interruptor de vacío, donde se enfría, se divide y se extingue. Este proceso aísla la sección defectuosa, protege los equipos posteriores y evita daños al sistema en general. El resultado es una rápida eliminación de fallas, una operación segura y requisitos mínimos de mantenimiento.
Para garantizar la seguridad del transporte, nuestros productos eléctricos se exportan en cajas de madera reforzada. Las cajas se someten a un tratamiento térmico y llevan la marca ISPM-15, lo que permite un rápido despacho de aduanas. El diseño de base elevada facilita el funcionamiento de la carretilla elevadora, mientras que la fijación interna que absorbe los impactos garantiza que los productos lleguen intactos. Todas las cajas exteriores están claramente etiquetadas y cumplen con los estándares logísticos internacionales.
-
Transmisión de potencia exitosa
-
Armario fotovoltaico conectado a la red que utiliza ACB y MCCB
-
Subestación tipo caja ACB VCB MCCB
-
Subestación tipo caja ACB VCB MCCB
-
Subestación tipo caja ACB VCB MCCB
-
Subestación tipo caja ACB VCB MCCB
-
Armario fotovoltaico conectado a la red que utiliza ACB y MCCB
-
Transmisión de potencia exitosa
-
Transmisión de potencia exitosa
-
Armario fotovoltaico conectado a la red que utiliza ACB y MCCB
| No | Artículo | Unidades | Contar valor |
| 1 | La tensión nominal | - | 12 24 35 |
| 2 | La tensión nominal (short-term frequency tolerance 1min) | kV | 42 |
| 3 | La tensión nominal tolerance lightning shocks peak | - | 75 |
| 4 | Frecuencia nominal | Hz | 50 |
| 5 | Corriente nominal | A | 630、1250 |
| 630、1250、1600、2000、2500、3150 | |||
| 1250、1600、2000、2500、3150、4000 | |||
| 6 | Corriente nominal de circuito abierto corto | kA | 20/25、31.5、40 |
| 7 | La tensión nominal short tolerance | kA | 20/25、31.5、40 |
| 8 | Duración corta calificada | s | 4 |
| 9 | Corriente nominal peak tolerance | kA | 50/63、80、100 |
| 10 | Cierre nominal de corriente de cortocircuito | kA | 50/63、80、100 |
| 11 | Tolerancia de voltaje de frecuencia del circuito secundario 1min) | V | 2000 |
| 12 | Condensador singleback nominal configurado con corriente de circuito abierto | A | 630/400 (40 kA 800/400) |
| 13 | El condensador nominal establece corrientes cercanas | kA | 12,5 (frecuencia no superior a 1000Hz) |
| 14 | Tiempo de frenado (voltaje nominal) | ms | ≤50 |
| 15 | Tiempo de alimentación (voltaje nominal) | ms | ≤100 |
| 16 | Vida mecánica | - | 20000 |
| 17 | Corriente nominal open circuit times (life) | Conmutación | 20000 |
| 18 | Circuito abierto de corriente de cortocircuito nominal | - | 50(40kA≤30) |
| 19 | El contacto dinámico y estático permite el espesor del desgaste | mm | 3 |
| 20 | El alimentador de tensión de funcionamiento nominal | - | - |
| 21 | La tensión nominal break-brake operations | V | AC110/220 DC110/220 |
| 22 | Tensión nominal del motor de almacenamiento | - | - |
| 23 | Potencia nominal del motor de almacenamiento | W | 70 |
| 24 | Tiempo de almacenamiento | s | ≤10 |
| 25 | Distancia de apertura del contacto | mm | 11±1 |
| 26 | Súper viaje | - | 3,5 ± 0,5 |
| 27 | Tiempo de rebote del contacto de cierre | ms | ≤240(A≤3) |
| 28 | Puntos trifásicos, que se cierran en diferentes etapas sexuales | - | ≤2 |
| 29 | Velocidad media de la compuerta (separación de contactos: 6 mm) | m/s | 0,9–1,2 |
| 30 | Velocidad media de cierre (cierre por contacto de 6 mm) | m/s | 0,5–0,8 |
| 31 | Resistencia líder en circuitos eléctricos | μΩ | ≤50(630a)、≤45(1250A) ≤35(1600–2000A)、≤250(2400) |
| 32 | Presión de contacto del alimentador del contactor | N | 2000±200(2000A)、2400±200(25kA) 3100±200(31,5 kA)、4250±250(40 kA) |
| 33 | La secuencia operativa nominal | - | Puntos - 0,3s - y puntos Años 180 - y - |

English
Français
Español
عربى






































