Cuando se enciende el contactor de CA, la bobina interna generará un campo magnético, lo que hará que el núcleo de hierro en movimiento y el núcleo de hierro estacionario se atraigan juntos, lo que hará que el sistema de contacto entre en contacto con el contacto estacionario y conduzca el circuito. Después de que la bobina pierde potencia, la fuerza de succión desaparece y el resorte de reinicio empujará hacia arriba el núcleo de hierro en movimiento, lo que provocará que los contactos se separen y el circuito se rompa.
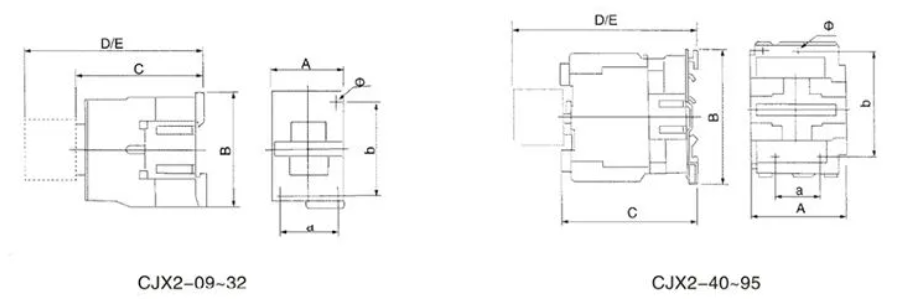
| Utilizundo para contactores re09~95 | ||||||||
| MODmiLO | un | segundo | c | D | E | a | segundo | Ф |
| D09~12 | 47 | 76 | 82 | 11 | 133 | 34/35 | 50/60 | 4.5 |
| D18 | 47 | 76 | 87 | 118 | 138 | 34/35 | 50/60 | 4.5 |
| D25 | 57 | 86 | 95 | 126 | 146 | 40 | 48 | 4.5 |
| D32 | 57 | 86 | 100 | 131 | 151 | 40 | 48 | 4.5 |
| D40~65 | 77 | 129 | 116 | 145 | 165 | 40 | 100/110 | 6.5 |
| D80~95 | 87 | 129 | 127 | 175 | 195 | 40 | 100/110 | 6.5 |
| Tipo de modelo | 9 | 12 | 18 | 25 | 32 | 40 | 50 | 65 | 80 | 95 | |
| Corriente de trabajo nominal (A) | unC3 | 9 | 12 | 18 | 25 | 32 | 40 | 50 | 65 | 80 | 95 |
| unC4 | 3.5 | 5 | 7.7 | 8.5 | 12 | 18.5 | 24 | 28 | 37 | 44 | |
| Motor trifásico unC-3 level (kw) | 220/230V | 2.2 | 3 | 4 | 5.5 | 7.5 | 11 | 15 | 18.5 | 22 | 25 |
| 380/400V | 4 | 5.5 | 7.5 | 11 | 15 | 18.5 | 22 | 30 | 37 | 45 | |
| 415V | 4 | 5.5 | 9 | 11 | 15 | 22 | 25 | 37 | - | - | |
| 500V | 5.5 | 7.5 | 10 | 15 | 18.5 | 22 | 30 | 37 | - | - | |
| 660/690V | 5.5 | 7.5 | 10 | 15 | 18.5 | 30 | 33 | 37 | 45 | 45 | |
| Corriente de calefacción nominalIth(A) | 20 | 20 | 30 | 32 | 40 | 50 | 60 | 80 | 125 | 125 | |
| Vida útil eléctrica (10000 ciclos) | unC3 | 100 | 100 | 100 | 100 | 80 | 80 | 60 | 60 | 60 | 60 |
| unC4 | 20 | 20 | 20 | 20 | 20 | 15 | 15 | 15 | 10 | 10 | |
| Vida útil mecánica (10000 ciclos) | 1000 | 1000 | 1000 | 1000 | 800 | 800 | 800 | 800 | 600 | 600 | |
| contact model | 3P NO | 3P NC NA | |||||||||
| Model | Corriente nominal (A) | contacto principal | unuxiliary contact | Potencia de carga monofásica (kW) | Potencia de carga trifásica (kW) |
| cJX2-0910 | 9A | 3NO | 1NO | 1,8 KW | 3,5 KW |
| cJX2-0901 | 9A | 3NO | 1NC | 1,8 KW | 3,5 KW |
| cJX2-1210 | 12A | 3NO | 1NO | 2,5 KW | 5kW |
| cJX2-1201 | 12A | 3NO | 1NC | 2,5 KW | 5kW |
| cJX2-1810 | 18A | 3NO | 1NO | 3,5 KW | 7,5 KW |
| cJX2-1801 | 18A | 3NO | 1NC | 3,5 KW | 7,5 KW |
| cJX2-2510 | 25A | 3NO | 1NO | 5kW | 8,5 KW |
| cJX2-2501 | 25A | 3NO | 1NC | 5kW | 8,5 KW |
| cJX2-3210 | 32A | 3NO | 1NO | 6kW | 12kW |
| cJX2-3201 | 32A | 3NO | 1NC | 6kW | 12kW |
| cJX2-4011 | 40A | 3NO | 1NA 1NC | 8kW | 18,5 KW |
| cJX2-5011 | 50A | 3NO | 1NA 1NC | 10kW | 24kW |
| cJX2-6511 | 65A | 3NO | 1NA 1NC | 12,5 KW | 28kW |
| cJX2-8011 | 80A | 3NO | 1NA 1NC | 15,5 KW | 37kW |
| cJX2-9511 | 95A | 3NO | 1NA 1NC | 18,5 KW | 44KW |

English
Français
Español
عربى
































